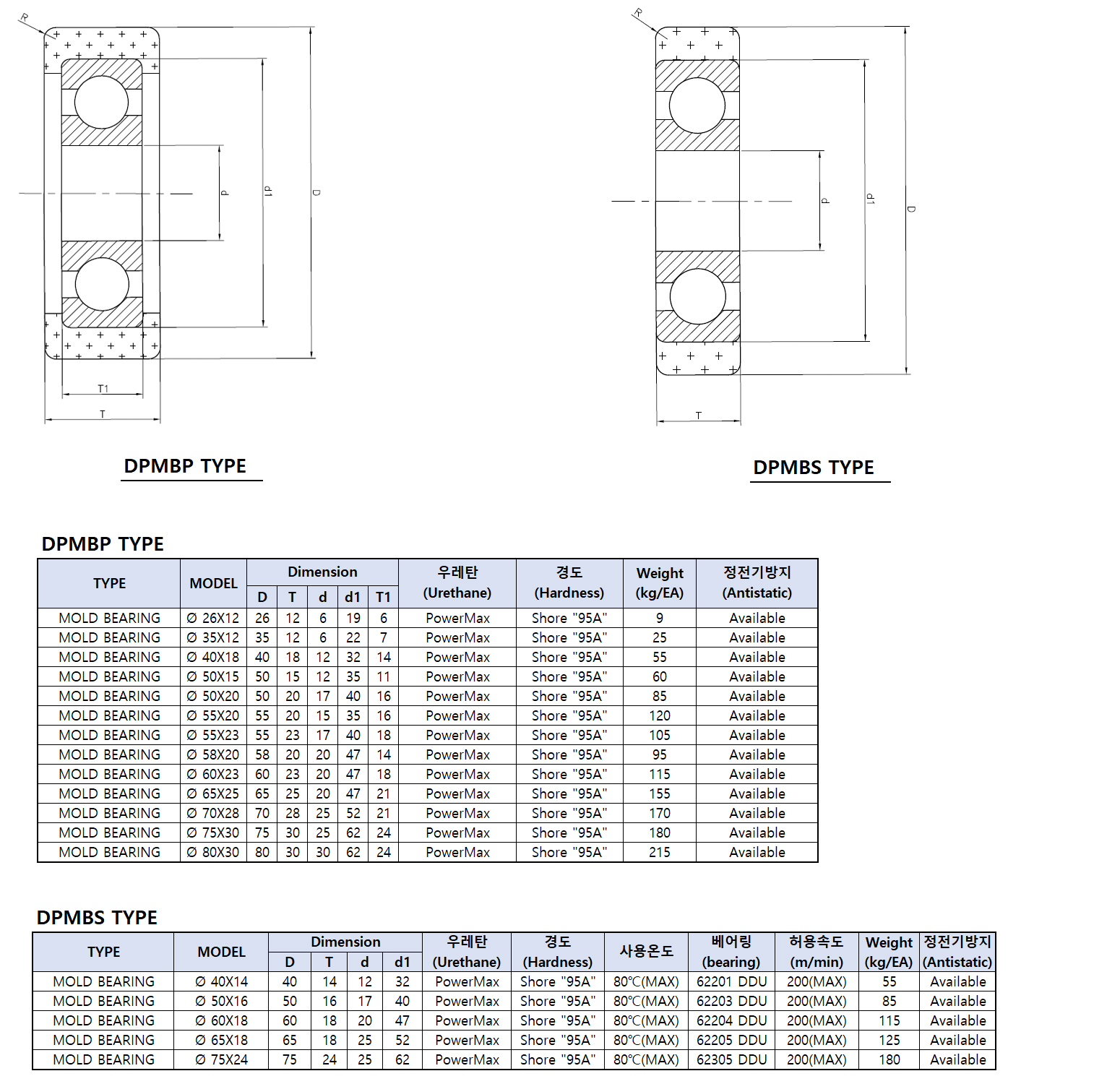
¡çBACK